杭州臨江環境能源有限公司需采購乙炔間、液氨罐區整改防爆配電箱及安裝連接件一批。歡迎符合要求的供應商積極參與。
一、采購內容及相關說明
1.項目編號:202406011-1。
2.采購內容:采購乙炔間、液氨罐區整改防爆配電箱及安裝連接件一批,詳見附件報價明細表。
3.本次總金額限價為18120元。
二、供應商要求
1.供應商須在中華人民共和國境內注冊,具有獨立法人資格和獨立承擔民事責任的能力,有能力提供相應服務。
三、報價時間及方式、送貨地點
1.報價時間及方式:2024年6月25日12:00前將公司營業執照、報價單及相關證明材料發送至指定郵箱ljgsbjzy@163.com;
2.送貨地點:杭州市錢塘區臨江街道紅十五線與觀十五線交叉口杭州臨江環境能源有限公司現場檢定。
四、報價要求
1.本項目報價為一次性報價,含貨款、稅金、運費等所有費用;
2.報價不得超過限價,超過限價為無效報價;
3.發票必須為增值稅專用發票。
五、服務要求
1.根據采購人生產計劃,確定送貨數量要求,按需供貨,供應商負責在接到采購人電話或書面通知后在一周內完成供貨,須按照甲方要求送貨到指定地點。
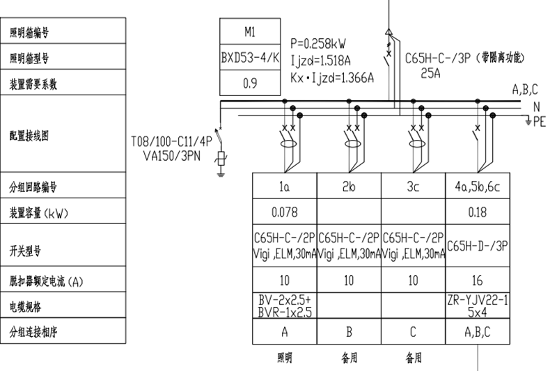
2.乙炔間、液氨罐區整改防爆箱內部接線圖需與下圖一致:
圖1:乙炔間防爆配電箱
圖2:氨水區防爆配電箱
六、付款方式
一次性付款,經甲方驗收合格后,甲方收到乙方提供的增值稅專用發票后,甲方在30天內完成支付。
七、聯系人:楊工 聯系電話:19962598920
杭州臨江環境能源有限公司
2024年6月20日
附件:比價文件-2024年臨江公乙炔間、液氨罐區整改防爆配電箱及安裝連接件采購(重新比價).doc